Ver todo 
 
                                                              028 - Aire acondicionado (opcional)
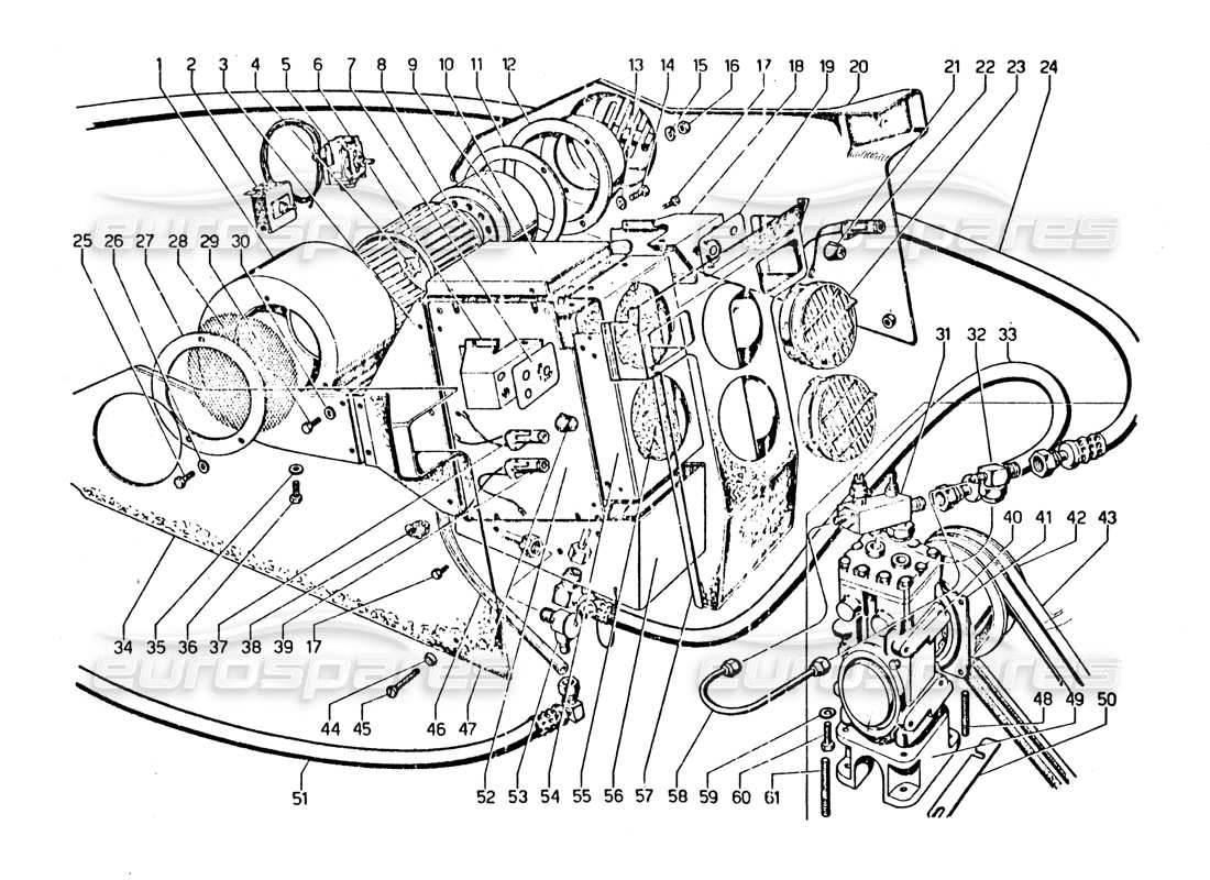
Lamborghini Urraco P250 / P250S Air conditioner (optional) Diagrama de piezas
Vea el diagrama de piezas despiezadas para encontrar la pieza que busca
- Puedes reposicionar el diagrama arrastrándolo.
- Puede acercar y alejar el diagrama desplazándose, pellizcando o usando elybotones
- Puede restablecer el diagrama utilizando elbotón
Vea toda la información sobre precios y disponibilidad de piezas en la tabla de piezas A la derechaabajo
- Puedes hacer clic en un punto de acceso  en el diagrama de piezas para localizar la pieza en la tabla 
- You can use the options filter, in the filter tab, to hide parts not relevant to your search
Cambie entre otros diagramas de piezas utilizando elybotones, o utilice las imágenes del diagrama a continuación
Recomendamos ver esta página en orientación horizontal para obtener la mejor experiencia.
Clave de pieza
ST
Part in stock
PS
Disponible en un juego de piezas
SS
Reemplazo de piezas en stock.
PS
Disponible en un juego de piezas bajo pedido (sujeto a disponibilidad)
SO
Pieza disponible para ordenar (sujeto a disponibilidad)
PK
Disponible en un kit de piezas
# 000
MPN: 004508820/A
UNIDAD DE AIRE COMPLETA
# 001
MPN: 004708837
CARACOL
de  £210,00 
de  £210,00 
# 002
MPN: 004510450
SELECTOR
de  £58,88 
de  £58,88 
# 003
MPN: 004508818
TRANSPORTADOR DE AIRE
de  £35,06 
de  £35,06 
# 004
MPN: 008411203
Arandela
# 005
MPN: 004505249
TERMOSTATO
de  £151,02 
de  £151,02 
# 006
MPN: 004510444
CARCASA PARA INTERRUPTOR SELECTOR
de  £40,79 
de  £40,79 
# 007
MPN: 004510448
PLACA PARA MANDO E INDICADOR
de  £9,36 
de  £9,36 
# 008
MPN: 004708840
ADMIRADOR
de  £177,24 
de  £177,24 
# 009
MPN: 004708839
MOTORES DE MANDO
de  £401,35 
de  £401,35 
# 010
MPN: 004508820
CUBRIR
de  £88,48 
de  £88,48 
# 011
MPN: 004708842
empaquetadura
de  £17,73 
de  £17,73 
 Esta pieza reemplaza el número de pieza. 001708842 
# 012
MPN: 004708838
APOYO
# 013
MPN: 008410502
Arandela
Sustitución 
Sustitución 
# 014
MPN: N01020717
TORNILLO
de  £0,47 
de  £0,47 
 Esta pieza reemplaza el número de pieza. 008100504 
# 015
MPN: 008410502
Arandela
Sustitución 
Sustitución 
# 016
MPN: 008200501
TUERCA
Sustitución 
Sustitución 
# 017
MPN: 008700414
TORNILLO
de  £1,62 
de  £1,62 
# 018
MPN: 004508822
CONTENEDOR PARA TERMOSTATO
# 019
MPN: 004510445
PLACA PARA MANDO E INDICADOR
de  £9,36 
de  £9,36 
# 020
MPN: 004508829
CUBRIR
de  £118,85 
de  £118,85 
# 021
MPN: 004506916
PERILLA DE CONTROL DEL TERMOSTATO
de  £328,43 
de  £328,43 
# 022
MPN: 006514093
Spia termostato
de  £57,75 
de  £57,75 
# 023
MPN: 004708760
DIFUSOR
de  £115,50 
de  £115,50 
# 024
MPN: 004509501
TUBO DEL CONDENSADOR AL COMPRESOR
# 025
MPN: N01020717
TORNILLO
de  £0,47 
de  £0,47 
 Esta pieza reemplaza el número de pieza. 008100504 
# 026
MPN: 008410502
Arandela
Sustitución 
Sustitución 
# 027
MPN: 004508826
ANILLO
de  £17,25 
de  £17,25 
# 028
MPN: 004508825
RED DE PROTECCIÓN
de  £14,94 
de  £14,94 
# 029
MPN: N01020717
TORNILLO
de  £0,47 
de  £0,47 
 Esta pieza reemplaza el número de pieza. 008100504 
# 030
MPN: 008410502
Arandela
Sustitución 
Sustitución 
# 031
MPN: 004510015
VÁLVULA ISOBÁRICA
de  £193,75 
de  £193,75 
# 032
MPN: 004510014
UNIÓN
# 033
MPN: 004509500
TUBO DEL COMPRESOR AL EVAPORADOR
# 034
MPN: 004508828
CUBRIR
de  £106,23 
de  £106,23 
# 035
MPN: 008400607
Arandela
Sustitución 
Sustitución 
# 036
MPN: 008100622
TORNILLO
de  £3,71 
de  £3,71 
# 037
MPN: 006514094
Luz de advertencia del motor del ventilador
de  £57,75 
de  £57,75 
# 038
MPN: 008830901
CLIP DE JUBILEO
de  £4,12 
de  £4,12 
# 039
MPN: 006514090
Luz de advertencia del panel
de  £57,75 
de  £57,75 
# 040
MPN: 004504548
COMPRESOR
de  £624,75 
de  £624,75 
# 041
MPN: 004505869
JUNTA ELECTROMAGNÉTICA
de  £568,23 
de  £568,23 
# 042
MPN: 004507641
POLEA
# 043
MPN: 004508806
CINGHIA
de  £21,17 
de  £21,17 
# 044
MPN: 008400504
Arandela
# 045
MPN: 008700509
TORNILLO
# 046
MPN: 004509386
TUBO SCARICA - CONDENSA
# 047
MPN: 004506917
MANDO DE SELECCIÓN DE VELOCIDAD DEL VENTILADOR
de  £169,79 
de  £169,79 
# 048
MPN: 008300826
ESPÁRRAGO ROSCADO
Sustitución 
Sustitución 
# 049
MPN: 004505856
APOYO
de  £185,62 
de  £185,62 
# 050
MPN: 004506114
CHAPA GRUESA
de  £6,89 
de  £6,89 
# 051
MPN: 004509499
TUBO DE VÁLVULA DE EXPANSIÓN AL FILTRO
de  £143,29 
de  £143,29 
# 052
MPN: 004508816
PACK EVAPORADOR RADIANTE
de  £459,97 
de  £459,97 
# 053
MPN: 004506860
VÁLVULA DE EXPANSIÓN
de  £65,87 
de  £65,87 
# 054
MPN: 004508821
APOYO
de  £40,79 
de  £40,79 
# 055
MPN: 004508824
SINTIÓ
# 056
MPN: 004508819
CONTENEDOR DE CONDENSADO
de  £148,87 
de  £148,87 
# 057
MPN: 004508827
CUBRIR
de  £173,41 
de  £173,41 
# 058
MPN: 004509159
MANGUERA DE LA VÁLVULA ISOBÁRICA AL RACOR
de  £14,65 
de  £14,65 
# 059
MPN: 00841100
Arandela
# 060
MPN: 008100902
TORNILLO
de  £4,80 
de  £4,80 
# 061
MPN: 008301004
ESPÁRRAGO ROSCADO
de  £19,22 
de  £19,22 
 Eurospares
 Eurospares 
  
  
  
  
  
  
  
  
  
  
  
  
  
  
  
  
  
  
  
  
  
  
  
  
  
  
  
  
  
  
  
  
 