Maserati 418 / 4.24v / 430 Diagramas De Piezas
Nuestros diagramas de piezas fáciles de usar para Maserati 418 / 4.24v / 430 le ayudan a encontrar las piezas correctas de forma rápida y sencilla.
001
SISTEMA DE ESCAPE, 2000 3V

001.1
SISTEMA DE ESCAPE NO CATALIZADO, 3 Y 4V

001.2
SISTEMA DE ESCAPE CATALIZADO, 2800 3V

001.3
SISTEMA DE ESCAPE CATALIZADO, 4V

002
ENFRIAMIENTO DEL MOTOR, 4V

002.1
ENFRIAMIENTO DEL MOTOR, 3V

003
RADIADOR Y VENTILADORES DE REFRIGERACIÓN

004
SISTEMA DE AIRE ACONDICIONADO, DIRECCIÓN IZQUIERDA

004.1
SISTEMA DE AIRE ACONDICIONADO, DIRECCIÓN DERECHA

004.2
CONDENSADOR DEL SISTEMA DE AIRE ACONDICIONADO

005
INTERCAMBIADORES DE CALOR - TUBERÍAS

006
TUBERÍAS DE COMBUSTIBLE

007
DEPÓSITO DE COMBUSTIBLE

008
EMBRAGUE PARA CAJA DE CAMBIOS GETRAG

008.1
EMBRAGUE PARA CAJA DE CAMBIOS ZF

009
CAJA DE CAMBIOS, GETRAG

009.1
CAJA DE CAMBIOS, GETRAG - CONTROLES EXTERNOS

010
CAJA DE CAMBIOS, ZF

010.1
CAJA DE CAMBIOS, 2F-EXTERNAL CONTROLES

010.2
CAJA DE CAMBIOS, CONTROLES EXTERNOS ZF

010.3
CAJA DE CAMBIOS, EJE PRINCIPAL ZF

010.4
CAJA DE CAMBIOS, EJE SECUNDARIO ZF

011
APARATO MECÁNICO. TRANS. CON CONVERTIR...ZF-4HP 22

011.1
APARATO MECÁNICO. TRANSM., ZF-CONTROLES EXTERNOS

011.2
TRANSMISIÓN AUTOMÁTICA ZF-ENFRIADOR DE ACEITE

012
EJE DE HÉLICE, GETRAG

012.1
EJE DE HÉLICE, ZF

013
DIFERENCIAL

014
COLUMNA DE DIRECCIÓN Y VOLANTE

015
CHASIS DELANTERO

016
UNIDAD DE DIRECCIÓN ASISTIDA, DIRECCIÓN IZQUIERDA

016.1
CAJA DE DIRECCIÓN ASISTIDA CON ENFRIADOR DE ACEITE

017
SUSPENSIÓN DELANTERA

018
AMORTIGUADOR DELANTERO

019
REAR SUSPENSION

020
AMORTIGUADOR TRASERO

020.1
ELÉCTRICO. AJUSTAR. AMORTIGUADOR TRASERO

021
BUJES Y FRENOS DELANTEROS

022
BUJES, FRENOS TRASEROS Y SEMIEJES

023
CONTROL DEL FRENO DE MANO

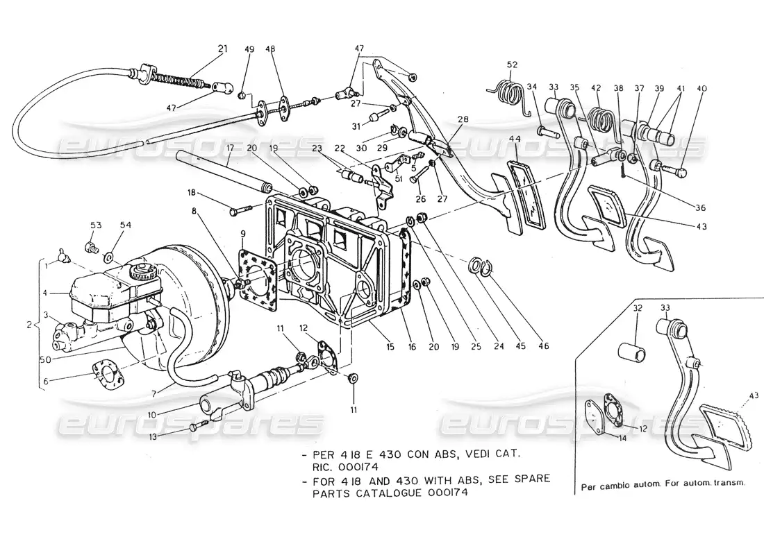
024
PEDALERA Y SERVOFRENO. DIRECCIÓN IZQUIERDA

024.1
PEDALERA Y SERVOFRENO, DIRECCIÓN DERECHA

025
TUBERÍA DE FRENO DE POTENCIA

026
LLANTAS

027
CARROCERÍA-PANELES EXTERIORES

028
CARROCERÍA-MARCO INTERNO

029
CARROCERÍA-PARTE DELANTERA,P.TECHO,PUERTAS,CAPÓS

030
CAPÓ DEL MOTOR, BISAGRAS Y CONTROLES DE APERTURA

031
TAPA DEL MALETERO, BISAGRAS Y CONTROLES DE APERTURA

032
PUERTAS DELANTERAS

032.1
PUERTAS TRASERAS

033
PUERTAS DE ENTRADA, CRISTALES Y ELEVALUNAS

033.1
PUERTAS TRASERAS, CRISTALES Y ELEVALUNAS

034
VIDRIOS FIJOS Y REMATES

035
ACABADO EXTERNO

036
PARACHOQUES DELANTERO

037
PARACHOQUES TRASERO

038
CAPÓ Y COMPARTIMENTO DEL MOTOR. RECORTE INT.

039
ADORNOS Y HERRAMIENTAS PARA MALETERO

039.1
CARCASA DE RUEDA DE REPUESTO

040
LIMPIAPARABRISAS, DIRECCIÓN IZQUIERDA

040.1
LIMPIAPARABRISAS, DIRECCIÓN DERECHA

041
FAROS

042
LUCES TRASERAS

043
COMPARTIMENTO DEL MOTOR. ELÉCTRICO. SISTEMA, DIRECCIÓN IZQUIERDA.

043.1
COMPARTIMENTO DEL MOTOR. ELÉCTRICO. SISTEMA, DIRECCIÓN DERECHA.

044
COMPENSACIÓN DE PASAJEROS. ELÉCTRICO. SISTEMA, DIRECCIÓN DERECHA.

044.1
COMPENSACIÓN DE PASAJEROS. ELÉCTRICO. SISTEMA, DIRECCIÓN IZQUIERDA.

045
TABLERO DE INSTRUMENTOS, JAEGER

045.1
TABLERO DE INSTRUMENTOS, BORLETTI

046
INTERRUPTORES Y BLOQUEO DE DIRECCIÓN

047
TABLERO, DIRECCIÓN IZQUIERDA

047.1
TABLERO, DIRECCIÓN DERECHA

048
CONSOLA

049
TECHO Y MOLDURAS INTERIORES

050
PUERTAS Y MOLDURAS INTERNAS

051
ASIENTOS DELANTEROS Y TRASEROS

052
CINTURONES DE SEGURIDAD, ESPEJO RETROVISOR, VISERA SOLAR

053
AISLAMIENTO DEL HABITÁCULO

053.1
COMPARTIMIENTO DE PASAJEROS. ALFOMBRAS Y FIELTROS

054
VENTILACIÓN DEL HABITÁCULO

055
CONJUNTO DE AIRE ACONDICIONADO

056