Genuine
Ferrari Part
MPN: 104983

Ferrari 330 and 365 PIN

Esperando foto parcial
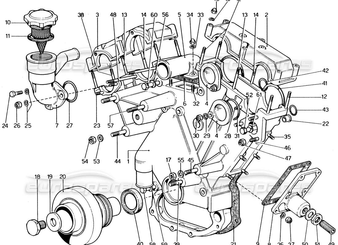
Vea esta parte en el diagrama a continuación. ( #049 )
diagrama de pieza que contiene el número de pieza 104983
Reemplazado
Parte reemplazada
Información de la pieza
  • Genuine Ferrari Part
Información de sustitución
Reemplazado por:
Regístrate para recibir una notificación cuando esta pieza vuelva a estar disponible. Tu dirección de correo electrónico puede ser utilizada con fines comerciales. Puedes cancelar la suscripción en cualquier momento.
No hay sugerencias de piezas alternativas disponibles.

No hay sugerencias de piezas alternativas para esta pieza en este momento.

El número de pieza 104983 se encontró en los siguientes catálogos de piezas:

Seleccione un modelo para ver el diagrama de piezas que contiene esta pieza Seleccione una familia de modelos para ver los diagramas de piezas que contienen esta pieza.

Si ha encontrado esta pieza más barata en otro lugar y desea que intentemos igualar el precio, infórmenos mediante este formulario.

Si ha visto este artículo más barato en Internet, copie y pegue la dirección (el bit www. normalmente en la parte superior de su navegador web) en el cuadro a continuación.

Si encontró el precio en otro lugar, o no puede copiar y pegar la dirección, díganos dónde encontró la pieza más barata e ingrese el precio en el cuadro de precio.
£
El sitio web Eurospares está protegido por Google reCAPTCHA y se aplican la Política de privacidad y los Términos de servicio de Google.
Fotos no disponibles.

Sólo podemos tomar fotografías de los artículos que tenemos actualmente en stock. Lamentablemente no tenemos este artículo en stock por lo que no podemos proporcionarle una fotografía del mismo.

Si quieres saber más información sobre esta pieza para estar seguro de que es la correcta, utiliza este formulario y pregunta lo que quieras saber.

Tenga en cuenta: ¡No vendemos autos completos!
El sitio web Eurospares está protegido por Google reCAPTCHA y se aplican la Política de privacidad y los Términos de servicio de Google.

PARTE DESCRIPCIÓN

Genuine FERRARI PIEZA, PIN, NÚMERO DE PIEZA: 104983

Parte También Conocida Como:

  • PUNTALINO POR REGISTRO TENDICATENA

Características del número de pieza 104983 en algunos de los diagramas del catálogo de piezas de estas familias de modelos: Ferrari 330 and 365

Actualmente disponible como: Genuine Ferrari Part New (to order)