Parte aprobada
EUROSPARES GRIFO DE CONTROL DE AGUA DEL CALENTADOR RHD

Ver diagramas ![]() |
Date prisa: solo quedan 3.
- Estimación de entrega: £8.89 to 94102, United KingdomHaga su pedido en las próximas 5 horas, 20 minutos, 20 segundos para envío hoy
- Eurospares Parte aprobada
El número de pieza 105817 se encontró en los siguientes catálogos de piezas:
Si ha encontrado esta pieza más barata en otro lugar y desea que intentemos igualar el precio, infórmenos mediante este formulario.
Para solicitar fotografías de una pieza es necesario iniciar sesión en el sitio web. Haga clic aquí para iniciar sesión o registrarse.
Si quieres saber más información sobre esta pieza para estar seguro de que es la correcta, utiliza este formulario y pregunta lo que quieras saber.
PARTE DESCRIPCIÓN
Eurospares PIEZA APROBADA, GRIFO DE CONTROL DE AGUA DEL CALENTADOR RHD, NÚMERO DE PIEZA: 105817
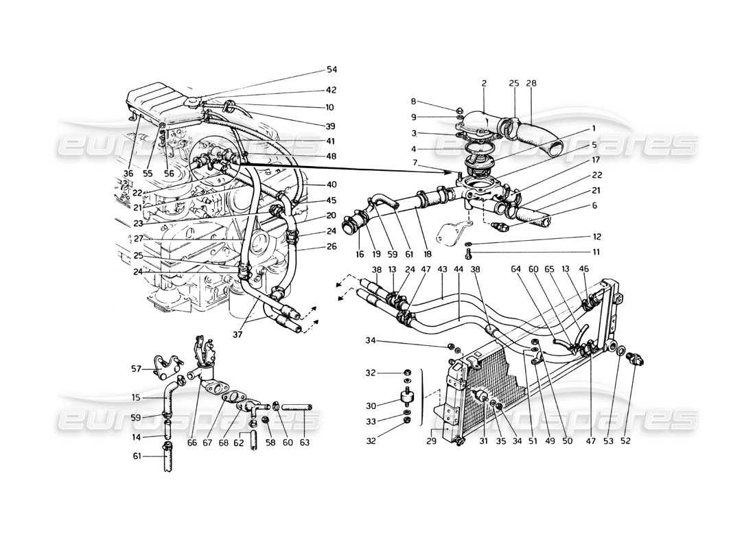
Características del número de pieza 105817 en algunos de los diagramas del catálogo de piezas de estas familias de modelos: Ferrari 208, Ferrari 308 y Ferrari 330 and 365
Actualmente disponible como: Eurospares Approved Part New (in stock), Genuine Ferrari Pieza nueva (en stock)



