Maserati Part
Maserati Quattroporte M156 (2014 onwards) V6 SOPORTES COMPLETOS PARA CIGÜEÑAL (
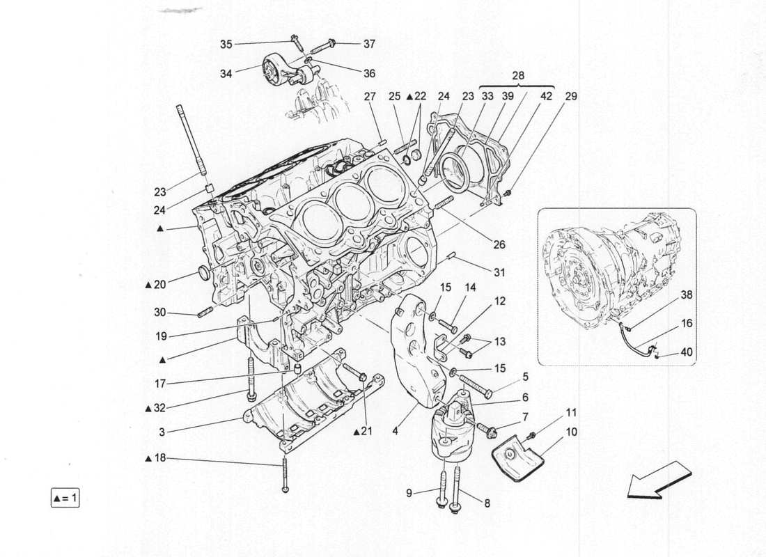
Vea esta parte en el diagrama a continuación. ( #001 )

No hay sugerencias de piezas alternativas para esta pieza en este momento.
El número de pieza 315337 se encontró en los siguientes catálogos de piezas:
Si ha encontrado esta pieza más barata en otro lugar y desea que intentemos igualar el precio, infórmenos mediante este formulario.
Sólo podemos tomar fotografías de los artículos que tenemos actualmente en stock. Lamentablemente no tenemos este artículo en stock por lo que no podemos proporcionarle una fotografía del mismo.
Si quieres saber más información sobre esta pieza para estar seguro de que es la correcta, utiliza este formulario y pregunta lo que quieras saber.
PARTE DESCRIPCIÓN
Genuine MASERATI PIEZA, V6 SOPORTES COMPLETOS CRACKSHAFT (, NÚMERO DE PIEZA: 315337
Parte También Conocida Como:
- BLOQUE DE MOTOR
Características del número de pieza 315337 en algunos de los diagramas del catálogo de piezas de estas familias de modelos: Maserati Quattroporte M156 (2014 onwards)
Actualmente disponible como: Genuine Maserati Part New (to order)