Equipo
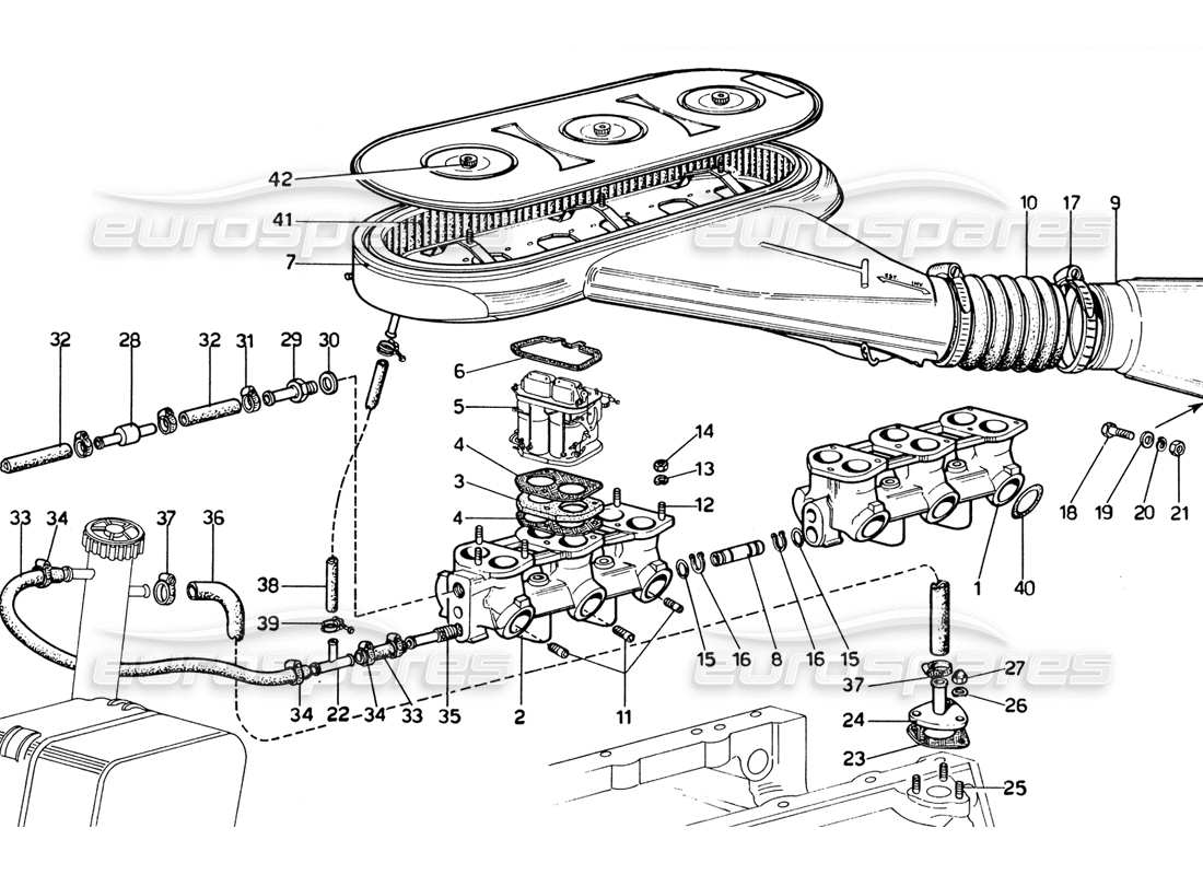
OE JUNTA (CARBURADOR A CAJA DE AIRE) OE
-part-diagram-011.webp)
Ver diagramas ![]() |
- Estimación de entrega: £10.00 to 94102, United KingdomHaga su pedido en las próximas 5 horas, 29 minutos, 48 segundos para envío el siguiente día laborable
- Original Equipo
El número de pieza 9180926 se encontró en los siguientes catálogos de piezas:
Si ha encontrado esta pieza más barata en otro lugar y desea que intentemos igualar el precio, infórmenos mediante este formulario.
Para solicitar fotografías de una pieza es necesario iniciar sesión en el sitio web. Haga clic aquí para iniciar sesión o registrarse.
Si quieres saber más información sobre esta pieza para estar seguro de que es la correcta, utiliza este formulario y pregunta lo que quieras saber.
PARTE DESCRIPCIÓN
Original EQUIPO, JUNTA (CARBURADOR A CAJA DE AIRE) OE, NÚMERO DE PIEZA: 9180926
Características del número de pieza 9180926 en algunos de los diagramas del catálogo de piezas de estas familias de modelos: Ferrari 365
Actualmente disponible como: Original Equipment New (in stock), Genuine Ferrari Pieza nueva (bajo pedido)
